现已发展成为一家集研发、生产、销售为一体的汽车电器零部件高科技制造乐玩lewan(中国)。
保险盒、蓄电池正负极电瓶栓、线接头、护套、端子五大乐玩手机版,共计10000多种产品
坚持创新技术研发永无止境,积极探索客户需求
60多项国家专利,多项优秀供应商及荣誉证书
人才是乐玩lewan(中国)的发展之本、兴盛之基。
关于乐玩lewan(中国)
乐玩手机版
新闻动态
资质认证
人力资源
D10-50(30°)
D10-70
ST0395A-6-35
ST0396A-8-35
ST0763A-6-55
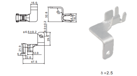
BX2014-1-4
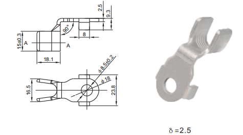
BX2018-1-3
DJ492-8G
ST0455A-8-50
ST0600A-8-50
ST0872A-8-50
ST0894A-6-35
ST0896A-6-35
ST0898A-6-35
ST0895A-6-35