现已发展成为一家集研发、生产、销售为一体的汽车电器零部件高科技制造乐玩lewan(中国)。
保险盒、蓄电池正负极电瓶栓、线接头、护套、端子五大乐玩手机版,共计10000多种产品
坚持创新技术研发永无止境,积极探索客户需求
60多项国家专利,多项优秀供应商及荣誉证书
人才是乐玩lewan(中国)的发展之本、兴盛之基。
关于乐玩lewan(中国)
乐玩手机版
新闻动态
资质认证
人力资源
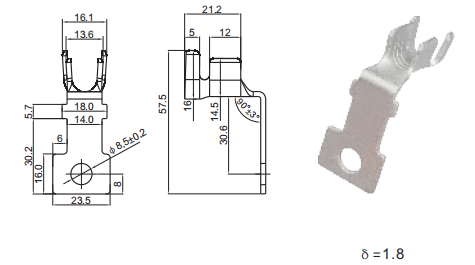
ST8-8E-H
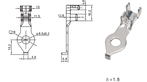
ST8-8E-HL
ST0635A-6-20
ST0640A-8-20
ST0640B-8-20
ST0640C-8-20
ST0647A-6-20
ST0660A-6-35
ST0661A-6-20
ST0675A-8-25
ST0676A-8-25
ST0676B-8-25
ST0740A-8-25
ST0771A-6-25
ST0787A-8-10