现已发展成为一家集研发、生产、销售为一体的汽车电器零部件高科技制造乐玩lewan(中国)。
保险盒、蓄电池正负极电瓶栓、线接头、护套、端子五大乐玩手机版,共计10000多种产品
坚持创新技术研发永无止境,积极探索客户需求
60多项国家专利,多项优秀供应商及荣誉证书
人才是乐玩lewan(中国)的发展之本、兴盛之基。
关于乐玩lewan(中国)
乐玩手机版
新闻动态
资质认证
人力资源
ST0855A-8-16
ST0856A-8-16
ST0900A-6-16
ST0925A-10-10
ST0329B-6-16
ST0392A-8-10
ST0427A-8-16
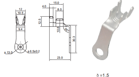
ST431UF-6-20-30
ST0440A-6-10
ST0440A-6-20
ST0465A-8-16
ST0482A-8-16
ST0506A-6-8
ST0553A-6-20
ST0554A-6-20